Advanced Technology Supply, Inc. offers rapid turn prototyping services to companies who are looking to test various designs, materials, and product sizes before finalizing their die-cut solution with us. We havevarious converting options to ensure your design will meet your exact specifications with a rapid turnaround, minimal lead times and setup costs.
Rapid prototyping allows companies to cost-effectively test the efficiency of a part or product design before they are committed to a big financial overlay when the product is manufactured in large quantities.
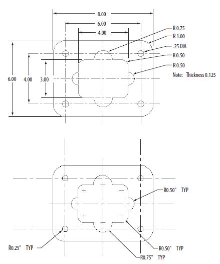
It is also very useful for digitally creating a three-dimensional model of a part or product, so the client can see a sample of what the final outcome will be.
Our digital converting solutions for prototyping are:
The simple answer is Testing.
It’s not uncommon for the final product to not be made of the same material as the prototype, therefore prototypes are more focused on the shape or size of a design, rather than its strength or durability.
The word ‘rapid’ is exactly that. At ATS we can take your idea or drawing and rapidly convert it into the right end product.
We recognize that every step along the prototyping journey needs to be done correctly. Once you have an idea or design in mind, our team of professionals will advise you on what will be the best way to achieve your end product with the different materials, explain our process and production run, and how our machinery is able to reduce both costs and waste.
If you’re looking for help to turn your idea into reality, with a high-quality, cost-effective product at rapid speed, contact ATS today to receive a quote.
Request a Quote